Product Reference
LNA-C4_8C
Product Introduction
The cryogenic amplifier features extremely low noise characteristics, significantly reducing noise introduced at the receiver front-end and improving system sensitivity. It finds applications in deep space exploration, radio astronomy, quantum computing, and wireless communications. The LNA-C4_8C(SSMP) cryogenic amplifier operates in the 4K temperature range with wide bandwidth and low noise temperature.
Key Features
RF Bandwidth 4GHz~8GHz
Gain 33dB
Noise temperature ≤4K
VSWR ≤1.8
Output 1dB compression point -10dBm
Operating temperature range 4K±1K
Storage Temp. -55℃~+85℃
RF port SSMP-K Coaxial Connector
Power supply port 3-pin Header
Housing Gold-plated Oxygen-free Copper Enclosure
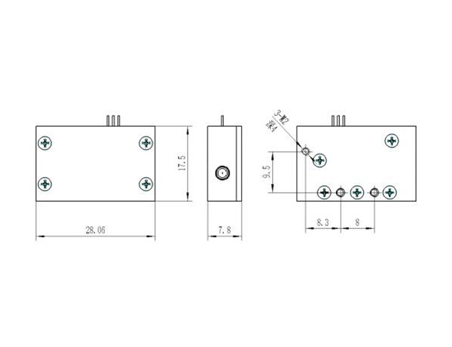
Dimensions 28.06mm×17.5mm×7.8mm
Weight ≤40g
Note
(1) Default unit for dimensions: millimeter (mm)/degree (°); Unless otherwise specified, default tolerances are: x±1.0/x±0.50 for dimensions, ±1° for angles, and ±0.3 for holes;
(2) Dimensions, interfaces and operating temperature ranges can be customized according to customer requirements.

Product Reference IFF-C0_8C04 Product Introduction Infrared Filters feature low insertion loss and high out-of-band rejec...

Product Reference IFF-C0_8B04 Product Introduction Infrared Filters feature low insertion loss and high out-of-band rejec...

Product Reference IFF-C0_8C03 Product Introduction Infrared Filters feature low insertion loss and high out-of-band rejec...

Thank you for your message and we will contact you within 24 Hours of your submission to resolve your issue
Online consultation