Product Reference
ISC1-C4_8B
Product Introduction
Cryogenic Isolator features low insertion loss and high isolation characteristics, improving matching between ultra-low temperature microwave link components and enhancing isolation between front-end and rear-end devices. Suitable for deep space exploration, radio astronomy, quantum computing and wireless communications. The ISC1-C4_8B quantum computing cryogenic isolator operates at 4K temperature range with wide bandwidth and high isolation characteristics, and can be cascaded to improve isolation in microwave links.
Key Features
RF Bandwidth 4GHz~8GHz
Insertion loss ≤0.7 dB(300K)/0.3dB(77K)
VSWR ≤1.5
Isolation ≥16dB
Operating temperature range Room temperature / 77K
Storage Temp. -55℃~+85℃
RF port SMA-K Coaxial Connector
Housing Gold-Plated Copper
Shielding layer Nickel-Plated
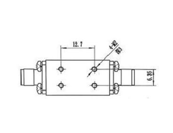
Dimensions ≤24.2mm×25.5mm×13.7mm(excluding connectors)
Weight ≤75g
Note
(1) Default unit for dimensions: millimeter (mm)/degree (°); Unless otherwise specified, default tolerances are: x±1.0/x±0.50 for dimensions, ±1° for angles, and ±0.3 for holes;
(2) Dimensions, interfaces and operating temperature ranges can be customized according to customer requirements.

Product Reference IFF-C0_8C04 Product Introduction Infrared Filters feature low insertion loss and high out-of-band rejec...

Product Reference IFF-C0_8B04 Product Introduction Infrared Filters feature low insertion loss and high out-of-band rejec...

Product Reference IFF-C0_8C03 Product Introduction Infrared Filters feature low insertion loss and high out-of-band rejec...

Thank you for your message and we will contact you within 24 Hours of your submission to resolve your issue
Online consultation