Product Reference
LPF-C0_0.5B
Product Introduction
Cryogenic Low-Pass Filter features low insertion loss and high out-of-band rejection characteristics, operating in ultra-low temperature environments to filter out interference signals from room temperature to cryogenic readout links. Suitable for deep space exploration, radio astronomy, quantum computing and wireless communications. The LPF-C0_0.5B low-pass filter operates at 4K temperature range with wide bandwidth and high out-of-band rejection characteristics.
Key Features
RF Bandwidth DC~500MHz
Insertion Loss ≤0.5dB
VSWR ≤1.2
Out-of-Band Rejection ≥40dB@2.1GHz~20GHz
Operating Temp. 10mK~5k
Storage Temp. -55℃~+85℃
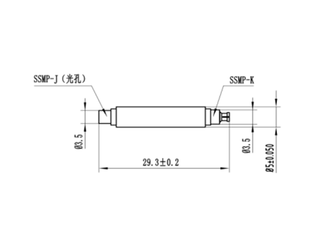
Port SSMP-JK coaxial connector
Housing Gold-plated copper enclosure
Dimensions ≤Φ5mm×29.3mm
Weight ≤20g
Note
(1) Default unit for dimensions: millimeter (mm)/degree (°); Unless otherwise specified, default tolerances are: x±1.0/x±0.50 for dimensions, ±1° for angles, and ±0.3 for holes;
(2) Dimensions, interfaces and operating temperature ranges can be customized according to customer requirements.

Product Reference IFF-C0_8C04 Product Introduction Infrared Filters feature low insertion loss and high out-of-band rejec...

Product Reference IFF-C0_8B04 Product Introduction Infrared Filters feature low insertion loss and high out-of-band rejec...

Product Reference IFF-C0_8C03 Product Introduction Infrared Filters feature low insertion loss and high out-of-band rejec...

Thank you for your message and we will contact you within 24 Hours of your submission to resolve your issue
Online consultation